
设备介绍:
该全自动无气泡包装机组能自动完成计量、填充制袋、打印日期、切袋等全部过程,是液体类包装生产企业的最佳包装配套,设备为大型企业、中小规模企业实现了自动化,提高了各行业的生产效率,大幅降低了成本。
适用范围:
全自动无气泡包装机适用于液体和带粘性的各种食品,药品和化学产品的包装,包括水果沙拉,番茄酱,蜂蜜,食用油,调味剂,蔬菜汁,莲蓉,甜豆酱等,非食品类得包括面霜,清洁剂,润滑油,工业用糊状物等。
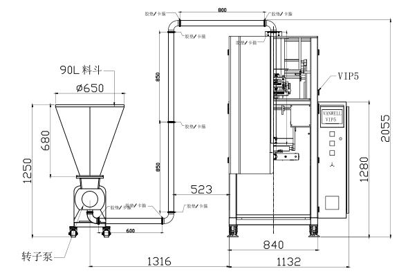
系统组成:
不锈钢转子泵液体
膏体上料机
不锈钢立式包装机
不锈钢成品输送机
生产流程工序:
开机温度达到恒温→设置参数→物料倒入料斗或用管引入(机器自动从料斗吸入物料)→按设定重量自动定量下料→自动包装机自动制袋成型 (可选配冲孔、插角、排气等附件装置)→填充→封合→打印日期→包装机完成自动封切→-成品包装经成品输送机输送;
产品结构图:

主要特点:
1.全不锈钢结构经久耐用,确保卫生
2.操作简单,不需另请专业技术人员
3.进口PLC控制,人性化操作界面,大幅提高控制的精确性、可靠性、智能性和调整范围
4.水平传感器监测,易于调整袋长
5.光电开关自动精确跟踪薄膜色标
6.能与输送泵的速度保持一致以确保精确性
7.采用伺服电机电机控制、双拉膜装置,拉膜准确无误,从而保证制袋效果
8.多种进口优质零部件,确保了机器的高品质和高性能
9.全自动无气泡包装机不需要额外的排除器或抽真空装置就能制出无空气袋
技术参数:
型号 XJB-520
包装容量 200 – 5000g
包装速度 5-15袋/分钟
膜宽 350mm-520mm
袋宽 160mm-250mm
薄膜卷直径 最大300mm
膜厚 65微米-100 微米
包装薄膜 各种可热封复合薄膜
电源 415V/50Hz/3phase/2.5KW
耗气量 3MPA
产品包装后规格 1580*1380*1990(mm)
产品重量 900KG
配套设备:成品输送机
主要特点:
将自动包装好的成品袋输送至包装后检测设备或打包平台
技术参数:
输送速度 30米/分
外形尺寸 2110×340×500mm
功率(W) 90
电压 220V/45W
